Customized UPDA MMUP Exam Courses 599 QAR | Xclusive Offer | Today Only

End in  . Register Now

Logo

Post Your Requirements

Buy with Confidence

Question 1

The process that evaluates overall project performance to provide confidence is called:

Question-Image
Correct Answer : a
Selected Answer : a
Explanation :
Explanation : Explanation-Image

Question 2

  which one of the following statements best defines procurement?

Question-Image
Correct Answer : d
Selected Answer : d
Explanation :
Explanation : Explanation-Image

Question 3

what is a visual representation of a project’s planned activities against calendar called?

Question-Image
Correct Answer : a
Selected Answer : a
Explanation :
Explanation : Explanation-Image

Question 4

In the consolidated drained test on a saturated soil sample, pore water pressure is zero during

Question-Image
Correct Answer : c
Selected Answer : b
Explanation : The correct option is C both consolidation and shearing stages Consolidated means drainage is allowed in first stage. Drained means drainage is allowed in second stage. So in case of consolidated drained test, drainage is allowed in both stages so pore pressure is zero.
Explanation : Explanation-Image

Question 5

A plane Truss with applied loads is shown in the figure, the members which do not carry any force are

Question-Image
Correct Answer : a
Selected Answer : a
Explanation : uploads/Question_Image/42C5e.PNG
Explanation : Explanation-Image

Question 6

the optimistic time(O),most likely time(M) and pessimistic time(P) of the activities in the critical path are given below in the format O-M-P

Question-Image
Correct Answer : d
Selected Answer : d
Explanation : uploads/Question_Image/42C6e.PNG
Explanation : Explanation-Image

Question 7

the porosity(n) and degree of saturation(S) of soil sample for 0.7 and 40 % respectively.In a 100 m3 volume of the soil,the volume (expressed in m3) of air is

Question-Image
Correct Answer : b
Selected Answer : b
Explanation : uploads/Question_Image/42C7e.PNG
Explanation : Explanation-Image

Question 8

a concrete gravity dam section is shown in the figure.assuming unit weight of water 10kN/m3 and unit weight of concrete as 24 kN/m3, the uplift force per unit length of the dam (expressed in kN/m) at PQ is_____.

Question-Image
Correct Answer : c
Selected Answer : c
Explanation : uploads/Question_Image/42C8e.PNG
Explanation : Explanation-Image

Question 9

seepage is occurring through porous media shown in the figure. The hydraulic conductivity values (k1,k2,k3)are made in m/day. The seepage discharge(m3/day per m) through the porous media at section PQ is

Question-Image
Correct Answer : b
Selected Answer : b
Explanation :
Explanation : Explanation-Image

Question 10

while aligning a hill road with ruling gradient of 6 % Horizontal curve of radius 50 metre is encountered. The grade compensation (in percentage up to two decimal places )to be provided for this case would be_______.

Question-Image
Correct Answer : c
Selected Answer : c
Explanation : uploads/Question_Image/42C10e.PNG
Explanation : Explanation-Image

Question 11

Fact 1: Humans are mammals. Fact 2: Some humans are engineers. Fact 3: Engineers build houses. If the above statements are facts, which of the following can be logically inferred? I. All mammals build houses. II. Engineers are mammals. III. Some humans are not engineers.

Question-Image
Correct Answer : a
Selected Answer : b
Explanation :
Explanation : Explanation-Image

Question 12

to prismatic beams having the same flexural rigidity of of 1000 kNm2 are shown in their figures. Ifthe mid span deflections of these beams are denoted by Delta 1 and Delta 2 as indicated in the figures the correct option

Question-Image
Correct Answer : a
Selected Answer : a
Explanation : uploads/Question_Image/42C12e.PNG
Explanation : Explanation-Image

Question 13

the points in the graph below represent the halts of a lift for duration of 1 minute over a period of one hour. Which of the following statements are correct?

Question-Image
Correct Answer : d
Selected Answer : d
Explanation : uploads/Question_Image/42C13e.PNG
Explanation : Explanation-Image

Question 14

the spot speeds (expressed in kilometer per hour ) observed at a road section are 66,62,45,79,32,51,56,60,53 and 49.the median speed (expressed in kilometer per hour)is___.

Question-Image
Correct Answer : c
Selected Answer : c
Explanation : uploads/Question_Image/42C14e.PNG
Explanation : Explanation-Image

Question 15

A strip footing is resting on the surface of purely clayey soil deposit if the width of the footing is doubled the ultimate bearing capacity of the soil

Question-Image
Correct Answer : d
Selected Answer : d
Explanation :
Explanation : Explanation-Image

Question 16

A construction project consists of 12 activities the estimated duration( in days )required to complete each of the activities along with the corresponding network diagram is shown below

Question-Image
Correct Answer : c
Selected Answer : c
Explanation : uploads/Question_Image/42C16e.PNG
Explanation : Explanation-Image

Question 17

the result of a consolidation test on an undistributed soil, sampled at a depth of 10m below the ground level or as follows: Saturated unit weight:16 kN/m3 Pre-consolidation pressure:90kPa the water table was encountered at the ground level assuming the unit weight of water as 10 kN/m3, the over consolidation ratio of the soil is

Question-Image
Correct Answer : b
Selected Answer : b
Explanation : uploads/Question_Image/42C17e.PNG
Explanation : Explanation-Image

Question 18

optimal flight planning for a photogrammetric survey should be carried out considering

Question-Image
Correct Answer : d
Selected Answer : d
Explanation : optimal flight planning for a photogrammetric survey both side lap as well as end lap should be considered
Explanation : Explanation-Image

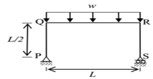
Question 19

the portal frame shown in the figure is subjected to a uniformly distributed vertical load w (per unit length) The bending moment in the beam at the joint 'Q' is

Question-Image
Correct Answer : a
Selected Answer : a
Explanation : uploads/Question_Image/42C19e.PNG
Explanation : Explanation-Image

Question 20

the soil profile at a site consists of a 5 m thick sand layer underline by a c-?soil has shown in figure. the water table is found 1 m below the ground level.the entire soil mass is retained by a concrete retaining wall and is in the active state. The back of the wall is smooth and vertical. The total active earth pressure (expressed in kN/m2) at point A as per Rankine's theory is____

Question-Image
Correct Answer : a
Selected Answer : a
Explanation : uploads/Question_Image/42C20e.PNG
Explanation : Explanation-Image

Question 21

A square plate is suspended vertically from one of its edges using a hint support as shown in figure. A water jet of 20 mm diameter having a velocity of 10 m/s strikes the plate at its mid-point ,at an angle of 30° wi6 the vertical.consider g as 9.81 m/s2and neglect the self-weight of the plate.The force F(expressed in N) required to keep the plane its vertical position is ______

Question-Image
Correct Answer : a
Selected Answer : a
Explanation : uploads/Question_Image/42C21e.PNG
Explanation : Explanation-Image

Question 22

A contractor needs to bring in 4, 200 yd3 of select soil to replace subgrade material for a new highway. The bottle site is located 2.6 miles away with an average round trip travel/loading/dumping time of 30 min. The soil has a unit weight of 125 lb/ft3 and the the dump truck drivers are on 10 hour work days. The minimum number of 10 ton (net capacity) trucks needed to complete 6 job within 8 working days is:

Question-Image
Correct Answer : b
Selected Answer : b
Explanation : uploads/Question_Image/42C22e.PNG
Explanation : Explanation-Image

Question 23

A 7.5inch × 16 inch masonry lintel spans door opening 5 ft wide. The wall above the lintel is 8 in thick with the unit weight of 130 lb/ft3 . Assume 8 in bearings on either side of the opening. Assume unit weight of the reinforced lintel to be 140 lb/ft3.The top of the wall carries joists every 16 in.Each joist exerts a vertical reaction of 600 lb/ft3 on the wall The maximum bending moment (lb-ft) in the lintel is most nearly:

Question-Image
Correct Answer : d
Selected Answer : d
Explanation : uploads/Question_Image/42C23e.PNG
Explanation : Explanation-Image

Question 24

It is not necessary to correct performance when it

Question-Image
Correct Answer : d
Selected Answer : d
Explanation :
Explanation : Explanation-Image

Question 25

which of the following departments provides services primarily to external customers?

Question-Image
Correct Answer : c
Selected Answer : c
Explanation :
Explanation : Explanation-Image

Question 26

to be effective a company’s strategic quality plan must be

Question-Image
Correct Answer : c
Selected Answer : c
Explanation :
Explanation : Explanation-Image

Question 27

in contrast to an expressed warranty and implied warranty is provided

Question-Image
Correct Answer : c
Selected Answer : a
Explanation :
Explanation : Explanation-Image
Hi, How can i help you?
X

Our customer support team is here to answer your questions.

Ask us anything!

Send