Question 1
Complete this sentence: "Class A bias sets the quiescent current...
Correct Answer : b
Selected Answer : c
Explanation : Class A operation can only be obtained when the transistor spends its entire time in the active mode, never reaching either cutoff or saturation.
Explanation : 
Question 2
What is the voltage gain of an amplifier at the half power points on the amplifier response curve?
Correct Answer : b
Selected Answer : b
Explanation : output voltage has dropped to 1/?2 (~0.707) of the maximum output voltage
Explanation :  of the maximum output voltage
)
Question 3
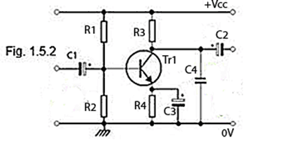
What is the purpose of C3 in Fig 1.5.2?
Correct Answer : d
Selected Answer : d
Explanation : Negative feedback also has effects of reducing distortion, noise, sensitivity to external changes as well as improving system bandwidth and input and output impedances.
Explanation : 
Question 4
What is the advantage of extending the bandwidth of audio amplifiers to frequencies higher than the audible limit?
Correct Answer : c
Selected Answer : b
Explanation : At higher frequencies, the internal junction capacitors of transistor come into play, thus reducing the output and therefore the gain of amplifier.
Explanation : 
Question 5
The heat loss inside a straight conductor is 60J upon applying current I for 5s. If the resistance of the conductor is decreased to half, and the same current is applied for 5s.What will be the heat dissipation?
Correct Answer : b
Selected Answer : b
Explanation : H = i2RT i2R = H/T =2*60/5 = 30J
Explanation : 
Question 6
Which of the transmission voltages is not applied in America Electrical Specs.?
Correct Answer : c
Selected Answer : c
Explanation : LV - Voltages not exceeding 250 Volts.
Explanation : 
Question 7
Sustainable development involves
Correct Answer : a
Selected Answer : a
Explanation : Sustainability is most often defined as meeting the needs of the present without compromising the ability of future generations to meet theirs. It has three main pillars: economic, environmental, and social.
Explanation : 
Question 8
A series of fuel cells is connected to produce a no load voltage of 320 V. At a rated voltage of 300 V the cells provide 2.0 MW to a DC-AC converter. Assuming the cell can be deled as a standard battery, what is the total internal resistance of the fuel cells?
Correct Answer : b
Selected Answer : b
Explanation : RL = V^2/ P = 0.045 , P=I^2RL, I =6.67 X10^3 A , Rin = (320-300) / 6.67 X10^3 =0.003Ω
Explanation :  / 6.67 X10^3 =0.003Ω)
Question 9
A/an activity has more than one dependency arrow flowing from it.
Correct Answer : c
Selected Answer : a
Explanation : A burst activity (or burst node) is defined as an activity in a project network diagram that has more than one dependency arrow flowing from it. This indicates that multiple, separate successor tasks depend on the completion of this single activity before they can begin.
Explanation :  is defined as an activity in a project network diagram that has more than one dependency arrow flowing from it. This indicates that multiple, separate successor tasks depend on the completion of this single activity before they can begin.)
Question 10
When transistors are used in digital circuits they usually operate in the:
Correct Answer : c
Selected Answer : c
Explanation : A transistor is used as an electronic switch by driving it either in saturation or in cut off. The region between these two is the linear region. A transistor works as a linear amplifier in this region.
Explanation : 
Question 11
Terminal representing control input of BJT
Correct Answer : b
Selected Answer : b
Explanation : The base region of a BJT transistor is very thin and is lightly doped with current carriers. It is the region of a transistor which has opposite polarity charge carriers from the emitter and the collector regions.
Explanation : 
Question 12
For a base current of 10 μA, what is the value of collector current in common emitter if βdc = 100
Correct Answer : c
Selected Answer : b
Explanation : "Ic = ꞵ* Ib = 100* 10*10-6 = 1mA"
Explanation : 
Question 13
To prevent a DC return between source and load, it is necessary to use
Correct Answer : c
Selected Answer : d
Explanation : Reservoir capacitors are used to smooth the raw rectified waveform in a power
Explanation : 
Question 14
Best type ofelectronic equipment that is used for the protection of electric circuits from short circuits or overcurrent.
Correct Answer : d
Selected Answer : d
Explanation : Air Circuit Breaker (ACB) is an electrical device used to provide Overcurrent and short-circuit protection for electric circuits over 800 Amps to 10K Amps. These are usually used in low voltage applications below 450V. We can find these systems in Distribution Panels (below 450V).
Explanation :  is an electrical device used to provide Overcurrent and short-circuit protection for electric circuits over 800 Amps to 10K Amps. These are usually used in low voltage applications below 450V. We can find these systems in Distribution Panels (below 450V).)
Question 15
Which of the following is a weak power system?
Correct Answer : c
Selected Answer : c
Explanation : A low short circuit capacity means a weak network. Switching on a load or a shunt capacitor or reactor will not change the voltage materially in a high short capacity system
Explanation : 
Question 16
Which type of braking is used in an induction motor:
Correct Answer : d
Selected Answer : d
Explanation : The braking of an induction motor is mainly classified into three types. They areRegenerative Braking. Plugging or reverse voltage braking and Dynamic Braking.
Explanation : 
Question 17
When a current I is passing through a resistance R, for a time period of t sec., then the electrical energy generated will be:
Correct Answer : a
Selected Answer : a
Explanation : E = power x time
Explanation : 
Question 18
An item on a project network is Design Software Completed. This is best described as an
Correct Answer : a
Selected Answer : a
Explanation : Event is a step that leads to the action or status change in the project management.
Explanation : 
Question 19
N-channel FETs are superior to p-channel FETs because
Correct Answer : b
Selected Answer : b
Explanation : Mobility of electrons is greater than that of holes
Explanation : 
Question 20
Class C amplifier is suitable for
Correct Answer : a
Selected Answer : a
Explanation : The usual application for class-C amplifiers is in RF transmitters operating at a single fixed carrier frequency, where the distortion is controlled by a tuned load on the amplifier with narrow band.
Explanation : 
Question 21
The noise margins of an inverter with VOH=3 V, VH=2V, VOL=0.5V/ VIL=0.8V is
Correct Answer : d
Selected Answer : c
Explanation : NMH =3-2=1 , NML=0.8-0.5 = 0.3
Explanation : 
Question 22
The element in the feedback circuit of a logarithmic amplifier using op-amp is
Correct Answer : d
Selected Answer : d
Explanation : Diode always exhibits non-linear characteristics up to forward voltage of 0.7 volts. As seen above, if a diode is used as a feedback element of the operational amplifier circuit, the resulting circuit will be logarithmic amplifier.
Explanation : 
Question 23
Ohms law relates to
Correct Answer : b
Selected Answer : b
Explanation : Ohm's Law states that the current flowing in a circuit is directly proportional to the applied potential difference and inversely proportional to the resistance in the circuit.
Explanation : 
Question 24
In HDL Based digital systems the arithmetic multiplication function is difficult to synthesize. Design solution to this challenge do not include:
Correct Answer : b
Selected Answer : b
Explanation : In computer engineering, a hardware description language (HDL) is a specialized computer language used to describe the structure and behavior of electronic circuits, and most commonly, digital logic circuits.
Explanation :  is a specialized computer language used to describe the structure and behavior of electronic circuits, and most commonly, digital logic circuits.)
Question 25
A low-pass filter:
Correct Answer : a
Selected Answer : a
Explanation :
Explanation : 
Question 26
UPS is an equipment
Correct Answer : a
Selected Answer : a
Explanation : A standby UPS resorts to battery backup power in the event of common power problems such as a blackout, voltage sag, or voltage surge with Connected in parallel to work in normal condition
Explanation : 
Question 27
Activities which can take place at the same time are termed
Correct Answer : a
Selected Answer : a
Explanation :
Explanation : 